
17雙電源切換裝置.doc
雙電源切換裝置
技術領域
本實用新型涉及DCS供電技術,具體是一種雙電源切換裝置。
背景技術
DCS(Distributedcontrol system,集散控制系統)廣泛應用于工業控制領域。在實際應用中,能否可靠地對DCS進行供電直接影響著工業控制的安全性。在現有技術條件下,DCS普遍采用UPS電源進行供電。實踐表明,此種供電技術存在供電可靠性差的問題。具體而言,UPS電源在使用中容易因故障發生失壓,而一旦UPS電源發生失壓,勢必導致DCS停止工作,從而導致重大工業事故的發生。基于此,有必要發明一種全新的供電裝置,以解決現有DCS供電技術供電可靠性差的問題。
發明內容
本實用新型為了解決現有DCS供電技術供電可靠性差的問題,提供了一種雙電源切換裝置。
本實用新型是采用如下技術方案實現的:雙電源切換裝置,包括UPS電源、備用電源、第一過載保護開關、第二過載保護開關、第三過載保護開關、主控接觸器、第一繼電器、第二繼電器、第一電流表、第二電流表、第一電壓表、第二電壓表、電涌保護器、常開主控按鈕、常閉主控按鈕;其中,主控接觸器的兩組主觸點的常閉靜觸點通過第一過載保護開關分別與UPS電源的相線輸出端和零線輸出端連接;第一繼電器的線圈通過第一過載保護開關并接于UPS電源的相線輸出端和零線輸出端之間;第一電流表通過第一過載保護開關串接于UPS電源的零線輸出端;第一電壓表通過第一過載保護開關并接于UPS電源的相線輸出端和零線輸出端之間;主控接觸器的兩組主觸點的常開靜觸點通過第二過載保護開關分別與備用電源的相線輸出端和零線輸出端連接;第二繼電器的線圈通過第二過載保護開關并接于備用電源的相線輸出端和零線輸出端之間;第二電流表通過第二過載保護開關串接于備用電源的零線輸出端;第二電壓表通過第二過載保護開關并接于備用電源的相線輸出端和零線輸出端之間;電涌保護器通過第三過載保護開關并接于備用電源的相線輸出端和零線輸出端之間;主控接觸器的線圈、第一繼電器的常閉觸點依次串接構成串聯支路,且該串聯支路并接于備用電源的相線輸出端和零線輸出端之間;常開主控按鈕、常閉主控按鈕依次串接構成串聯支路,且該串聯支路并接于第一繼電器的常閉觸點兩端之間;主控接觸器的常開輔助觸點并接于常開主控按鈕的兩端之間。
工作時,將負載(即DCS)并接于主控接觸器的兩組主觸點的動觸點之間。按下常開主控按鈕,并閉合第三過載保護開關。具體工作過程如下:當UPS電源正常工作時,UPS電源依次通過第一過載保護開關、主控接觸器的兩組主觸點的常閉靜觸點、主控接觸器的兩組主觸點的動觸點向負載供電。當UPS電源因故障發生失壓時,第一繼電器的線圈失電,第一繼電器的常閉觸點閉合,主控接觸器的線圈得電,主控接觸器的兩組主觸點的常開靜觸點閉合。備用電源依次通過第二過載保護開關、主控接觸器的兩組主觸點的常開靜觸點、主控接觸器的兩組主觸點的動觸點向負載供電。當UPS電源恢復正常工作后,第一繼電器的線圈得電,第一繼電器的常閉觸點斷開。此時,按下常閉主控按鈕,主控接觸器的線圈失電,主控接觸器的兩組主觸點的常閉靜觸點重新閉合,UPS電源重新依次通過第一過載保護開關、主控接觸器的兩組主觸點的常閉靜觸點、主控接觸器的兩組主觸點的動觸點向負載供電。若有人在UPS電源未恢復正常工作時誤按下常閉主控按鈕,則由于第一繼電器的線圈仍然失電,第一繼電器的常閉觸點仍然閉合,主控接觸器的線圈仍然得電,主控接觸器的兩組主觸點的常開靜觸點仍然閉合。備用電源仍然依次通過第二過載保護開關、主控接觸器的兩組主觸點的常開靜觸點、主控接觸器的兩組主觸點的動觸點向負載供電。當備用電源因故障發生失壓時,主控接觸器的線圈失電,主控接觸器的兩組主觸點的常閉靜觸點重新閉合,UPS電源重新依次通過第一過載保護開關、主控接觸器的兩組主觸點的常閉靜觸點、主控接觸器的兩組主觸點的動觸點向負載供電。在上述過程中,第一電流表實時指示UPS電源的輸出電流。第一電壓表實時指示UPS電源的輸出電壓。第二電流表實時指示備用電源的輸出電流。第二電壓表實時指示備用電源的輸出電壓。電涌保護器能夠防止直接雷電、間接雷電、其它瞬時過電壓對本實用新型所述的雙電源切換裝置造成危害?;谏鲜鲞^程,與現有DCS供電技術相比,本實用新型所述的雙電源切換裝置具有如下優點:當UPS電源因故障發生失壓時,本實用新型所述的雙電源切換裝置能夠不間斷地將UPS電源切換為備用電源,由此保證了DCS持續正常工作,從而有效避免了重大工業事故的發生。綜上所述,本實用新型所述的雙電源切換裝置基于全新結構,有效解決了現有DCS供電技術供電可靠性差的問題。
本實用新型結構合理、設計巧妙,有效解決了現有DCS供電技術供電可靠性差的問題,適用于對DCS進行供電。
附圖說明
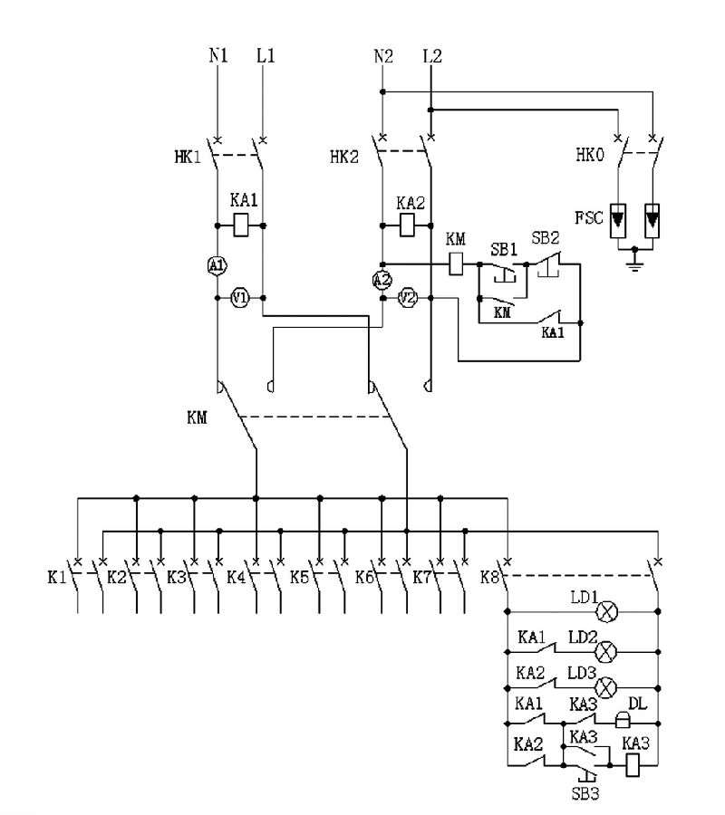
圖1是本實用新型的電路原理圖。
具體實施方式
雙電源切換裝置,包括UPS電源、備用電源、第一過載保護開關HK1、第二過載保護開關HK2、第三過載保護開關HK0、主控接觸器KM、第一繼電器KA1、第二繼電器KA2、第一電流表A1、第二電流表A2、第一電壓表V1、第二電壓表V2、電涌保護器FSC、常開主控按鈕SB1、常閉主控按鈕SB2;其中,主控接觸器KM的兩組主觸點的常閉靜觸點通過第一過載保護開關HK1分別與UPS電源的相線輸出端L1和零線輸出端N1連接;第一繼電器KA1的線圈通過第一過載保護開關HK1并接于UPS電源的相線輸出端L1和零線輸出端N1之間;第一電流表A1通過第一過載保護開關HK1串接于UPS電源的零線輸出端N1;第一電壓表V1通過第一過載保護開關HK1并接于UPS電源的相線輸出端L1和零線輸出端N1之間;主控接觸器KM的兩組主觸點的常開靜觸點通過第二過載保護開關HK2分別與備用電源的相線輸出端L2和零線輸出端N2連接;第二繼電器KA2的線圈通過第二過載保護開關HK2并接于備用電源的相線輸出端L2和零線輸出端N2之間;第二電流表A2通過第二過載保護開關HK2串接于備用電源的零線輸出端N2;第二電壓表V2通過第二過載保護開關HK2并接于備用電源的相線輸出端L2和零線輸出端N2之間;電涌保護器FSC通過第三過載保護開關HK0并接于備用電源的相線輸出端L2和零線輸出端N2之間;主控接觸器KM的線圈、第一繼電器KA1的常閉觸點依次串接構成串聯支路,且該串聯支路并接于備用電源的相線輸出端L2和零線輸出端N2之間;常開主控按鈕SB1、常閉主控按鈕SB2依次串接構成串聯支路,且該串聯支路并接于第一繼電器KA1的常閉觸點兩端之間;主控接觸器KM的常開輔助觸點并接于常開主控按鈕SB1的兩端之間。
具體實施時,還包括第一-第八開關K1-K8、電源指示燈LD1、UPS電源失壓指示燈LD2、備用電源失壓指示燈LD3、電鈴DL、第三繼電器KA3、常開報警解除按鈕SB3;其中,第一-第八開關K1-K8均并接于主控接觸器KM的兩組主觸點的動觸點之間;電源指示燈LD1并接于主控接觸器KM的兩組主觸點的動觸點之間;UPS電源失壓指示燈LD2、第一繼電器KA1的常閉觸點依次串接構成串聯支路,且該串聯支路并接于主控接觸器KM的兩組主觸點的動觸點之間;備用電源失壓指示燈LD3、第二繼電器KA2的常閉觸點依次串接構成串聯支路,且該串聯支路并接于主控接觸器KM的兩組主觸點的動觸點之間;電鈴DL、第三繼電器KA3的常閉觸點、第一繼電器KA1的常閉觸點依次串接構成串聯支路,且該串聯支路并接于主控接觸器KM的兩組主觸點的動觸點之間;第三繼電器KA3的線圈、常開報警解除按鈕SB3、第二繼電器KA2的常閉觸點依次串接構成串聯支路,且該串聯支路并接于主控接觸器KM的兩組主觸點的動觸點之間;第三繼電器KA3的線圈、第三繼電器KA3的常開觸點、第一繼電器KA1的常閉觸點依次串接構成串聯支路,且該串聯支路并接于主控接觸器KM的兩組主觸點的動觸點之間。工作時,通過第一-第八開關能夠將8路負載(即DCS)并接于主控接觸器的兩組主觸點的動觸點之間。電源指示燈實時指示負載是否供電。UPS電源失壓指示燈實時指示UPS電源是否失壓。備用電源失壓指示燈實時指示備用電源是否失壓。當UPS電源或備用電源發生失壓時,電鈴實時發出聲音報警。第三繼電器實時控制電鈴。按下常開報警解除按鈕,即可解除報警。
主控接觸器采用LC1-D40008M5型接觸器。第一繼電器、第二繼電器、第三繼電器均采用HH54P型繼電器。常開主控按鈕、常閉主控按鈕、常開報警解除按鈕均采用LA39-10型按鈕。電源指示燈、UPS電源失壓指示燈、備用電源失壓指示燈均采用AD16-22型指示燈。第一過載保護開關、第二過載保護開關、第三過載保護開關均采用DZ47-63型過載保護開關。電涌保護器采用 RDSP6-C20/2型電涌保護器。本實用新型所述的雙電源切換裝置集成于一個壁掛式控制箱內,且該壁掛式控制箱上設有觀察孔。
權利要求書
1、一種雙電源切換裝置,其特征在于:包括UPS電源、備用電源、第一過載保護開關(HK1)、第二過載保護開關(HK2)、第三過載保護開關(HK0)、主控接觸器(KM)、第一繼電器(KA1)、第二繼電器(KA2)、第一電流表(A1)、第二電流表(A2)、第一電壓表(V1)、第二電壓表(V2)、電涌保護器(FSC)、常開主控按鈕(SB1)、常閉主控按鈕(SB2);其中,主控接觸器(KM)的兩組主觸點的常閉靜觸點通過第一過載保護開關(HK1)分別與UPS電源的相線輸出端(L1)和零線輸出端(N1)連接;第一繼電器(KA1)的線圈通過第一過載保護開關(HK1)并接于UPS電源的相線輸出端(L1)和零線輸出端(N1)之間;第一電流表(A1)通過第一過載保護開關(HK1)串接于UPS電源的零線輸出端(N1);第一電壓表(V1)通過第一過載保護開關(HK1)并接于UPS電源的相線輸出端(L1)和零線輸出端(N1)之間;主控接觸器(KM)的兩組主觸點的常開靜觸點通過第二過載保護開關(HK2)分別與備用電源的相線輸出端(L2)和零線輸出端(N2)連接;第二繼電器(KA2)的線圈通過第二過載保護開關(HK2)并接于備用電源的相線輸出端(L2)和零線輸出端(N2)之間;第二電流表(A2)通過第二過載保護開關(HK2)串接于備用電源的零線輸出端(N2);第二電壓表(V2)通過第二過載保護開關(HK2)并接于備用電源的相線輸出端(L2)和零線輸出端(N2)之間;電涌保護器(FSC)通過第三過載保護開關(HK0)并接于備用電源的相線輸出端(L2)和零線輸出端(N2)之間;主控接觸器(KM)的線圈、第一繼電器(KA1)的常閉觸點依次串接構成串聯支路,且該串聯支路并接于備用電源的相線輸出端(L2)和零線輸出端(N2)之間;常開主控按鈕(SB1)、常閉主控按鈕(SB2)依次串接構成串聯支路,且該串聯支路并接于第一繼電器(KA1)的常閉觸點兩端之間;主控接觸器(KM)的常開輔助觸點并接于常開主控按鈕(SB1)的兩端之間。
2、根據權利要求1所述的雙電源切換裝置,其特征在于:還包括第一-第八開關(K1-K8)、電源指示燈(LD1)、UPS電源失壓指示燈(LD2)、備用電源失壓指示燈(LD3)、電鈴(DL)、第三繼電器(KA3)、常開報警解除按鈕(SB3);其中,第一-第八開關(K1-K8)均并接于主控接觸器(KM)的兩組主觸點的動觸點之間;電源指示燈(LD1)并接于主控接觸器(KM)的兩組主觸點的動觸點之間;UPS電源失壓指示燈(LD2)、第一繼電器(KA1)的常閉觸點依次串接構成串聯支路,且該串聯支路并接于主控接觸器(KM)的兩組主觸點的動觸點之間;備用電源失壓指示燈(LD3)、第二繼電器(KA2)的常閉觸點依次串接構成串聯支路,且該串聯支路并接于主控接觸器(KM)的兩組主觸點的動觸點之間;電鈴(DL)、第三繼電器(KA3)的常閉觸點、第一繼電器(KA1)的常閉觸點依次串接構成串聯支路,且該串聯支路并接于主控接觸器(KM)的兩組主觸點的動觸點之間;第三繼電器(KA3)的線圈、常開報警解除按鈕(SB3)、第二繼電器(KA2)的常閉觸點依次串接構成串聯支路,且該串聯支路并接于主控接觸器(KM)的兩組主觸點的動觸點之間;第三繼電器(KA3)的線圈、第三繼電器(KA3)的常開觸點、第一繼電器(KA1)的常閉觸點依次串接構成串聯支路,且該串聯支路并接于主控接觸器(KM)的兩組主觸點的動觸點之間。
說明書摘要
本實用新型涉及DCS供電技術,具體是一種雙電源切換裝置。本實用新型解決了現有DCS供電技術供電可靠性差的問題。雙電源切換裝置,包括UPS電源、備用電源、第一過載保護開關、第二過載保護開關、第三過載保護開關、主控接觸器、第一繼電器、第二繼電器、第一電流表、第二電流表、第一電壓表、第二電壓表、電涌保護器、常開主控按鈕、常閉主控按鈕;其中,主控接觸器的兩組主觸點的常閉靜觸點通過第一過載保護開關分別與UPS電源的相線輸出端和零線輸出端連接;第一繼電器的線圈通過第一過載保護開關并接于UPS電源的相線輸出端和零線輸出端之間。本實用新型適用于對DCS進行供電。
說明書附圖
圖1